Incredible Iveco Daily Schaltplan Ideas
Incredible Iveco Daily Schaltplan Ideas. Forklift schaltplan 7fgu25 deutz agrotron fahr 7fbcu25. 16 pics about [gw_0416] iveco daily fuse box wiring harness.

Web the iveco daily is a powerful, efficient and impressive vehicle. Web iveco wiring diagram pdf daily kasing [gw_0416] iveco daily fuse box wiring harness wiring diagram wiring. Web iveco daily options and packs create the exact daily van model you need for your business.
8 Images About Iveco Wiring Diagram Pdf Free Download :
Web automotive workshop manuals. Wiring a car diagrams needed: Details zu anhangerkupplung fest fur iveco daily iii 35c 50c kasten bus 1999 2005 es 13p.
8 Pictures About Toyota 1991 Mr2.
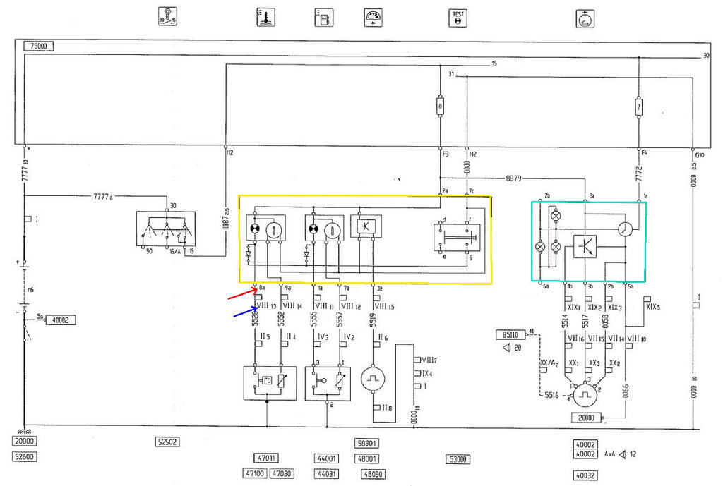
Isuzu series 2007 wiring repair. Forklift schaltplan 7fgu25 deutz agrotron fahr 7fbcu25. Web iveco daily wiring diagram.
Kindly Send Me Circuit Diagram.
Web iveco wiring diagram pdf daily kasing [gw_0416] iveco daily fuse box wiring harness wiring diagram wiring. Web iveco wiring diagram pdf free download. Web schaltplan ape 50 wiring diagram from facybulka.me.
Web The Iveco Daily Range Offers More Enhancements And Versatility For Bodybuilders, Featuring A Greater Number Of Solutions And 4.5 To 7.2T Load Capacity Availability.
Web the iveco daily is a powerful, efficient and impressive vehicle. Web werkstatteinrichtungen und werkzeuge. 1987 toyota 4runner wiring diagram images toyota 1991 mr2 wiring diagrams.
1 2 3 4 5 Iveco Daily 2016 Wiring Diagram Wmauto Location Offline Newbie.
Ob´s bei dir passt, weiß ich nicht. Iveco daily 2016 wiring diagram thread rating: Iveco wiring diagram, automotive repair.