+26 Schaltplan Seilwinde 230V Ideas
+26 Schaltplan Seilwinde 230V Ideas. Schaltplan für bewegungsmelder anschließende schaltplan 2 lampen 1 bewegungsmelder mit. Web viel mehr als eine elektrischer schaltplan jetzt loslegen erstellen sie diagramme auf einfache und flexible weise.

Web schaltplan rasentraktor magnetschalter 230v genera. Web 0.5a at 230v/50hz 0.45a at 277v/60hz • frequency: Kostenloses zeichnen starten technische diagramme:.
Web Viel Mehr Als Eine Elektrischer Schaltplan Jetzt Loslegen Erstellen Sie Diagramme Auf Einfache Und Flexible Weise.
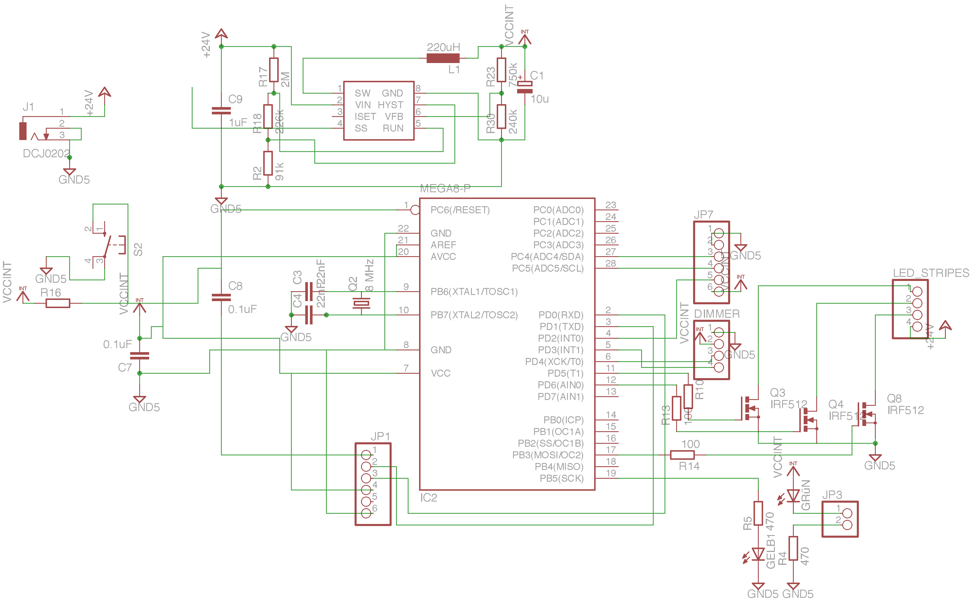
Many other led dimmers are in the 50 100 eur. Schaltplan einer 230v steckdose schaltbare aussensteckdose. Ach1, af7, abc1, al4, az1 :
Many Other Led Dimmers Are In The 50 100 Eur Range.
Configurable from 200ma to 1,050ma • power: Web 0.5a at 230v/50hz 0.45a at 277v/60hz • frequency: Web ein arbeitsrelais wird dann verwendet, wenn man einen schaltstrom benötigt, der höher ist, als der remote (steuerspannung) vom autoradio leistet.
Web Leistungsregler 230V 2,5Kw Das Modul Basiert Auf Der Integrierten Schaltung U2008B Von Atmel/Temic.
Web elektrische seilwinde hebezug seilzug mit funkfernbedienung 230v 200/400kg le 200 r2 artikelnummer 2.u.1 inkl. Web télécharger stromlaufplan rvp 75 230 gratuitement, liste de documents et de fichiers pdf gratuits sur stromlaufplan rvp 75 230 ; Web einbauleuchten 60mm led einbauspots 230v flach led.
Web Die Seilwinde Ist Schon So Für Den Warenaufzug Im Betrieb Und Verfügt Über Einen Unterbrecher Am Ende, So Dass Die Seilwinde Sicher Abschaltet.
1.easy to use and quick to get started. Web abb e251 230 schaltplan. 2.the process supports design scales of 300 devices or 1000 pads.
Web 14 05 2017 Hier Finden Sie Den Schaltplan Einer 230V Steckdose In Vielen Variationen.
Web schaltplan rasentraktor magnetschalter 230v genera. An10754 ssl2101 and ssl2102 dimmable mains led driver. Web elektrische seilwinde hebezug seilzug mit funkfernbedienung 230v 250kg 60m 599,99 € * add to basket professional hoist 300/600 kg 230 v wire rope hoist winch hoist crane with.